Dimensions

* En cas de difficultés à lire le texte, consultez les données CAO ou le manuel.

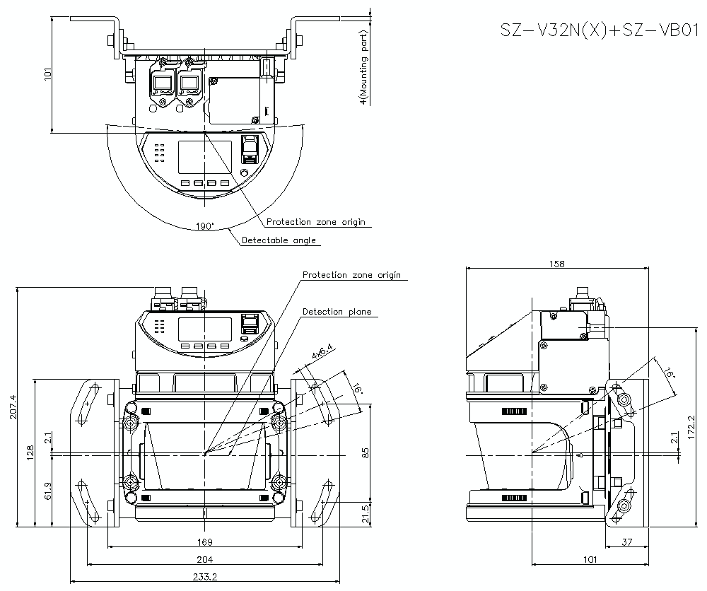
sz-v32n_x_vb01_dimension_01.gif

SZ-V32N/X/VB01 Dimension

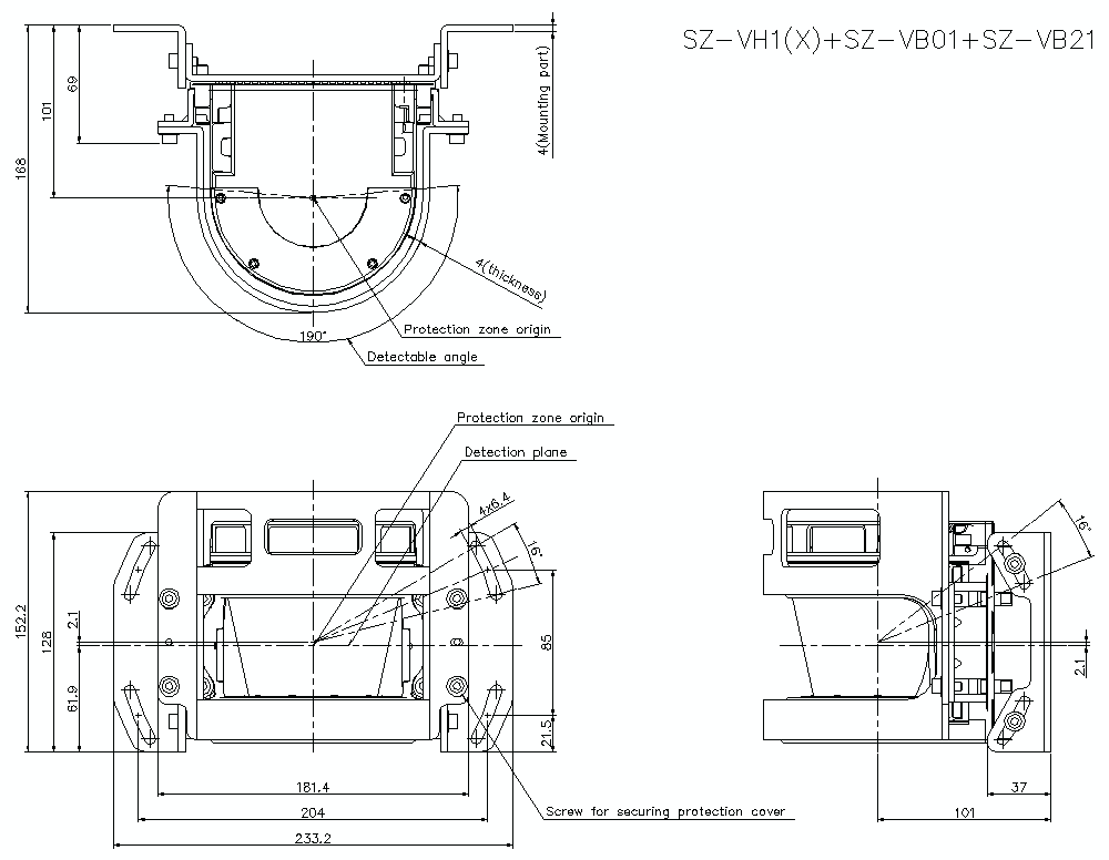
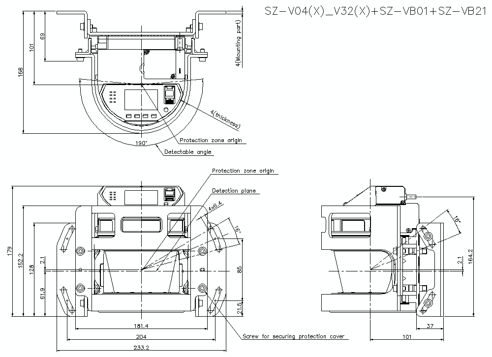
szv04_32_b01_b21_dimension_01.gif

SZV04-32/B01/B21 Dimension

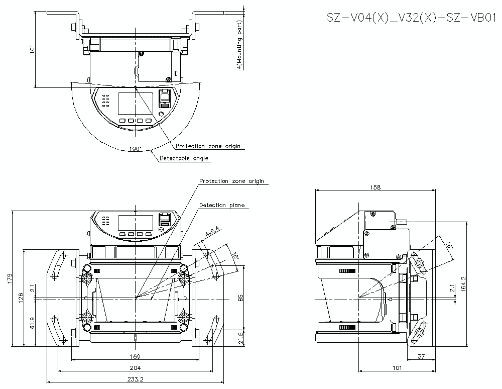
szv04_v32_x_vb01_dimension_01.gif

SZV04-V32/X/VB01 Dimension

szvh1_vh1x_vb01_dimension_01.gif

SZVH1-VH1X/VB01 Dimension

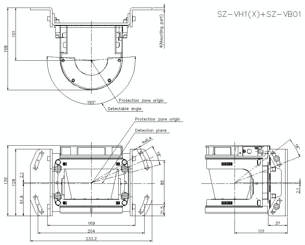
szvh1_x_vb01_21_dimension_01.gif

SZVH1-X/VB01/21 Dimension