Dimensions

* En cas de difficultés à lire le texte, consultez les données CAO ou le manuel.

sz-v32n_x_vb02_dimension_01.gif

SZ-V32N/X/VB02 Dimension

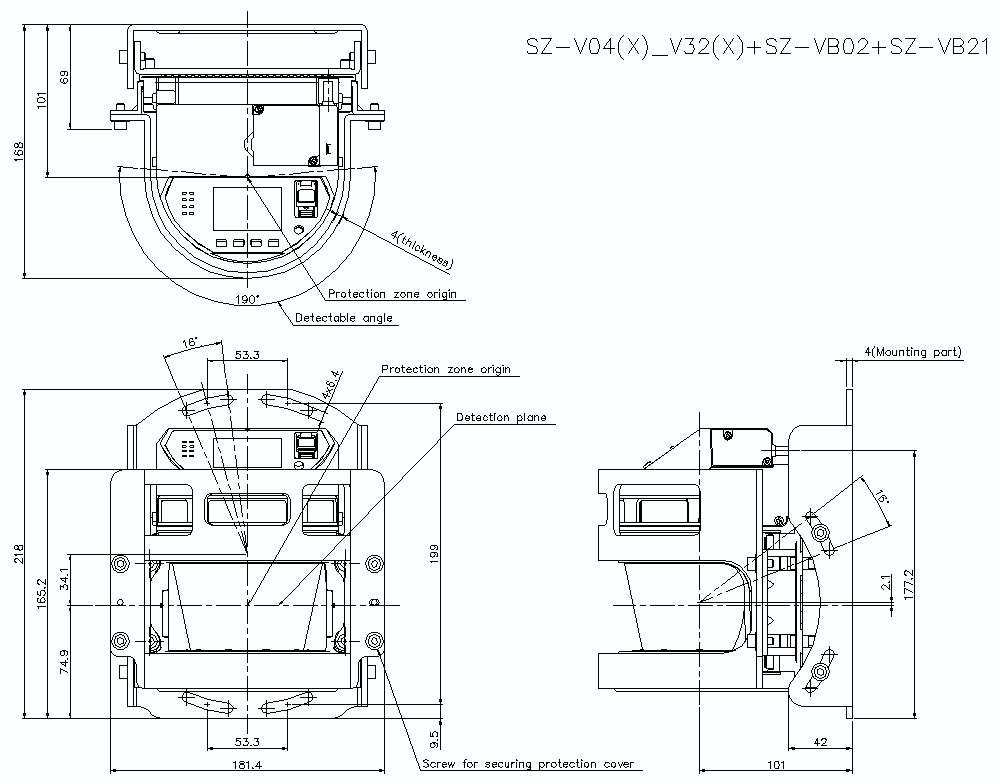
szv04_32_b02_b21_dimension_01.gif

SZV04-32/B02/B21 Dimension

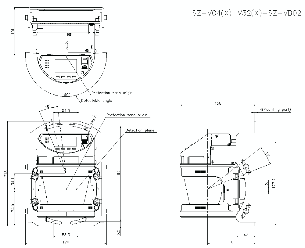
szv04_v32_x_vb02_dimension_01.gif

SZV04-V32/X/VB02 Dimension

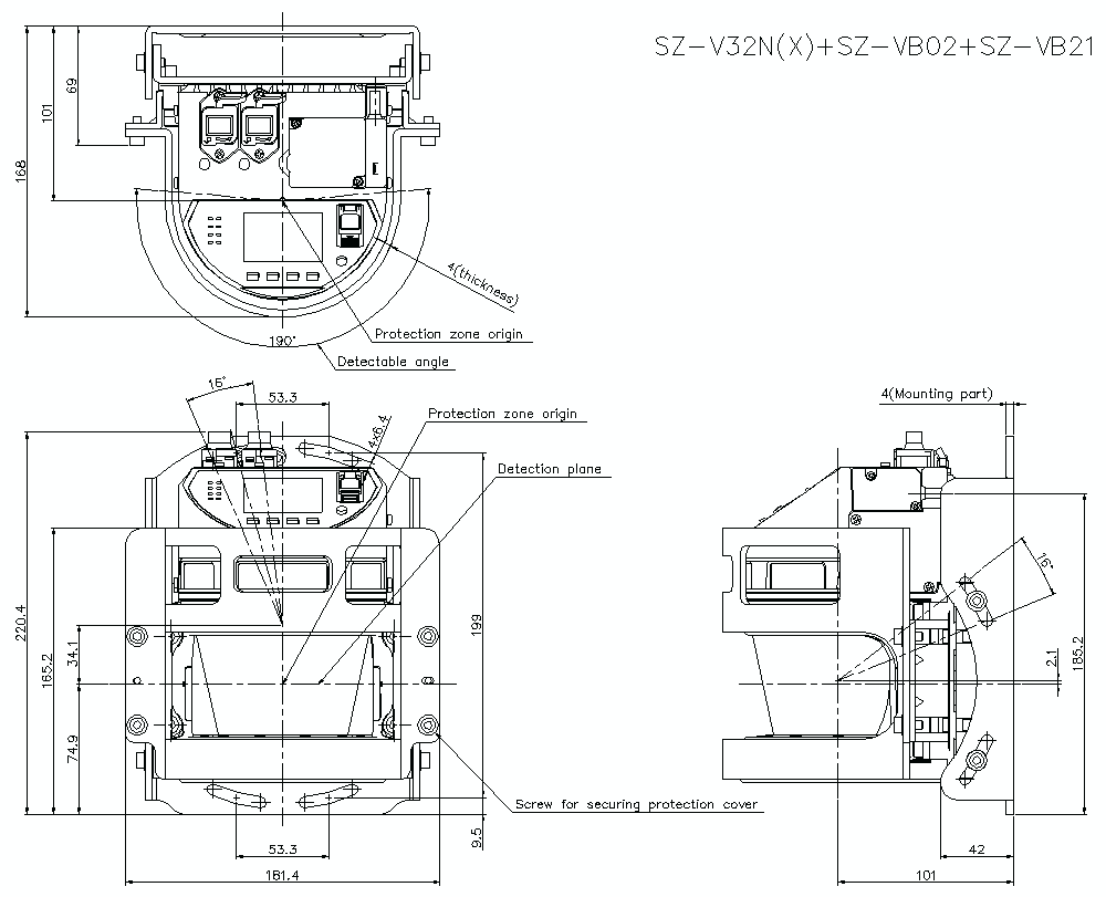
szv32n_vb02_b21_dimension_01.gif

SZV32N-VB02/B21 Dimension

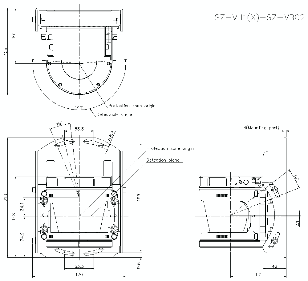
szvh1_vh1x_vb02_dimension_01.gif

SZVH1-VH1X/VB02 Dimension

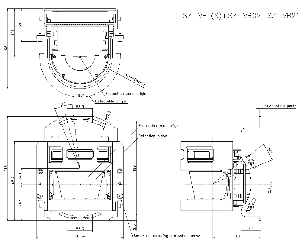
szvh1_x_vb02_21_dimension_01.gif

SZVH1-X/VB02/21 Dimension