Dimensions

* En cas de difficultés à lire le texte, consultez les données CAO ou le manuel.

GS-1X Dimension

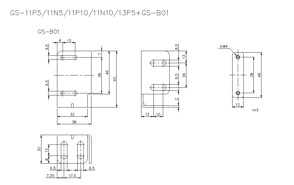
GS-1X/GS/B01_01 Dimension

GS-1X/GS/B01_02 Dimension

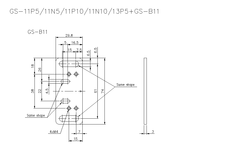
GS-1X/GS/B11_01 Dimension

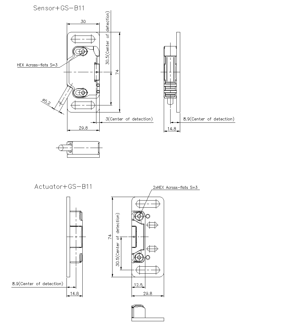
GS-1X/GS/B11_02 Dimension