Dimensions

* En cas de difficultés à lire le texte, consultez les données CAO ou le manuel.

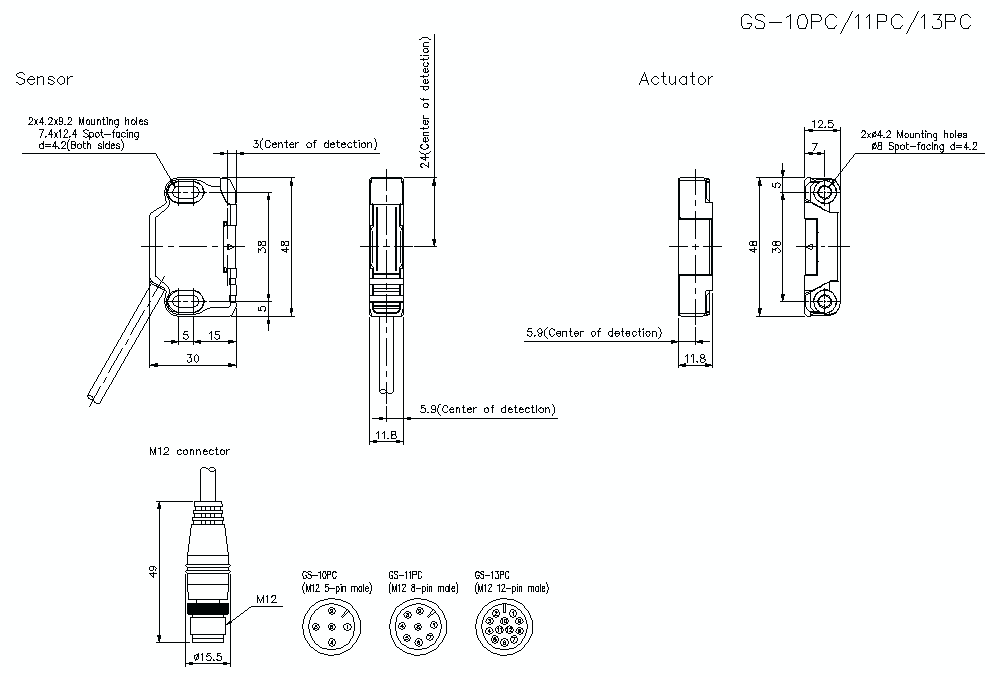
GS-1XPC Dimension

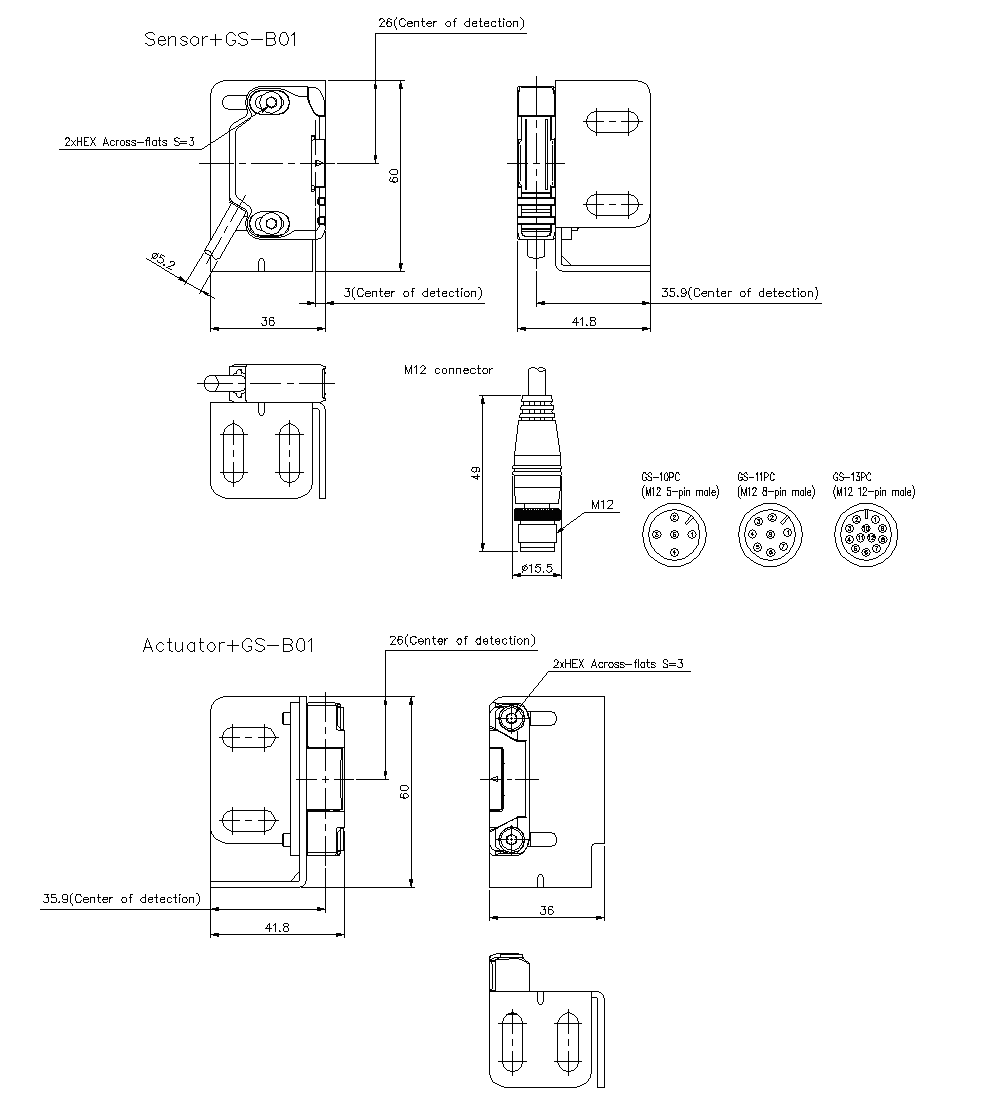
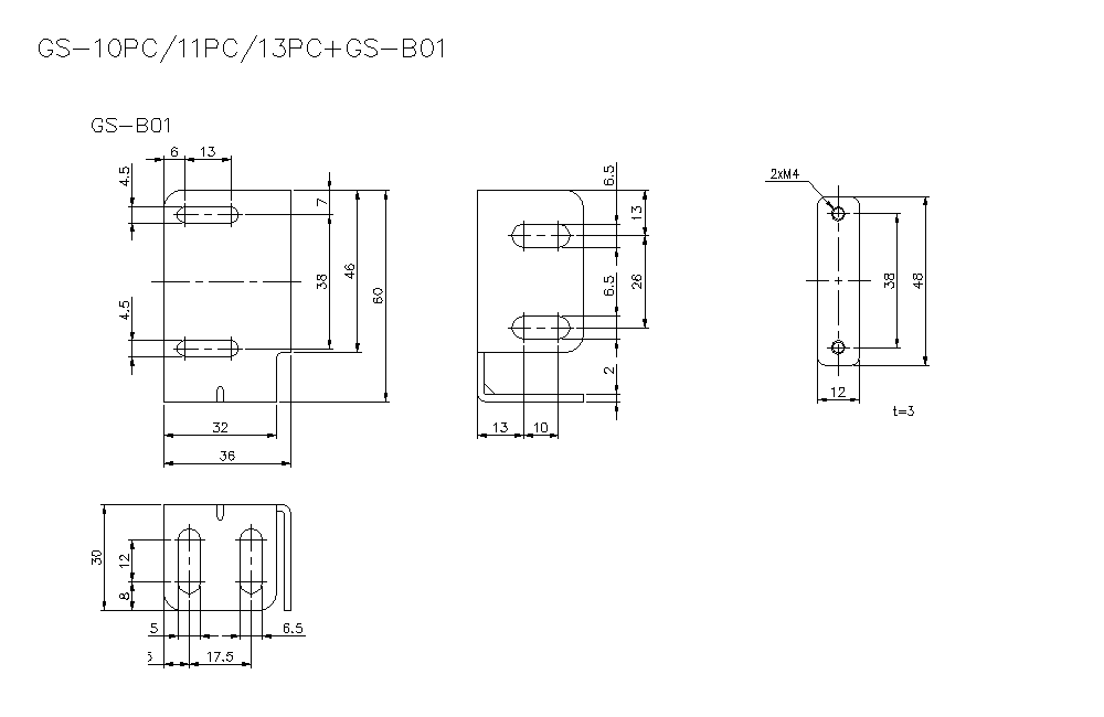
GS-1XPC/GS/B01_01 Dimension

GS-1XPC/GS/B01_02 Dimension

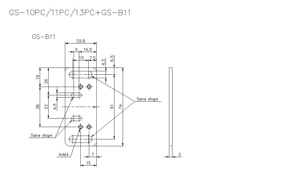
GS-1XPC/GS/B11_01 Dimension

GS-1XPC/GS/B11_02 Dimension

GS-1XPC/GS/B11_03 Dimension