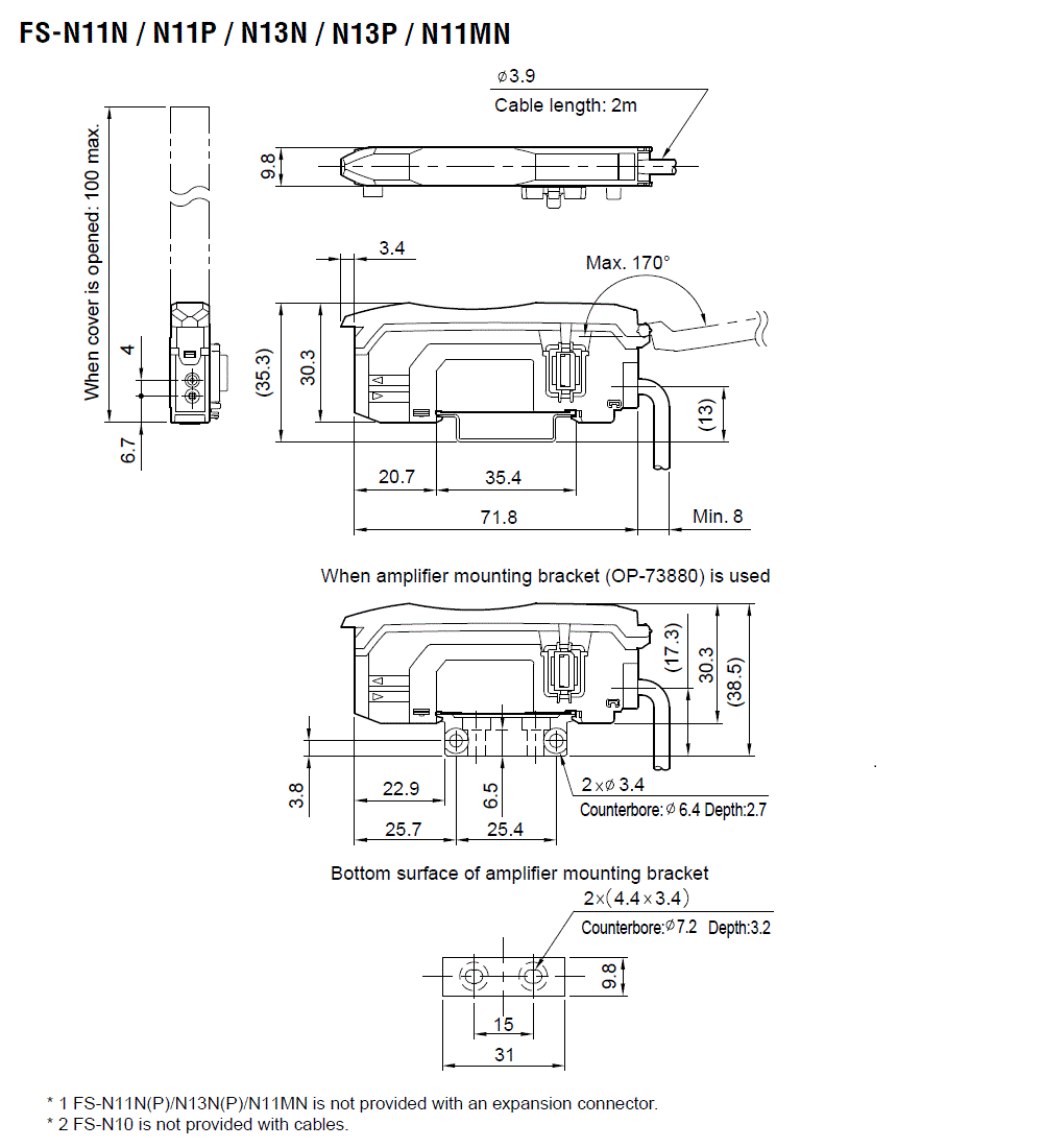
Dimensions

* En cas de difficultés à lire le texte, consultez les données CAO ou le manuel.

FS-N11N_11P_13N_13P_11MN Dimension