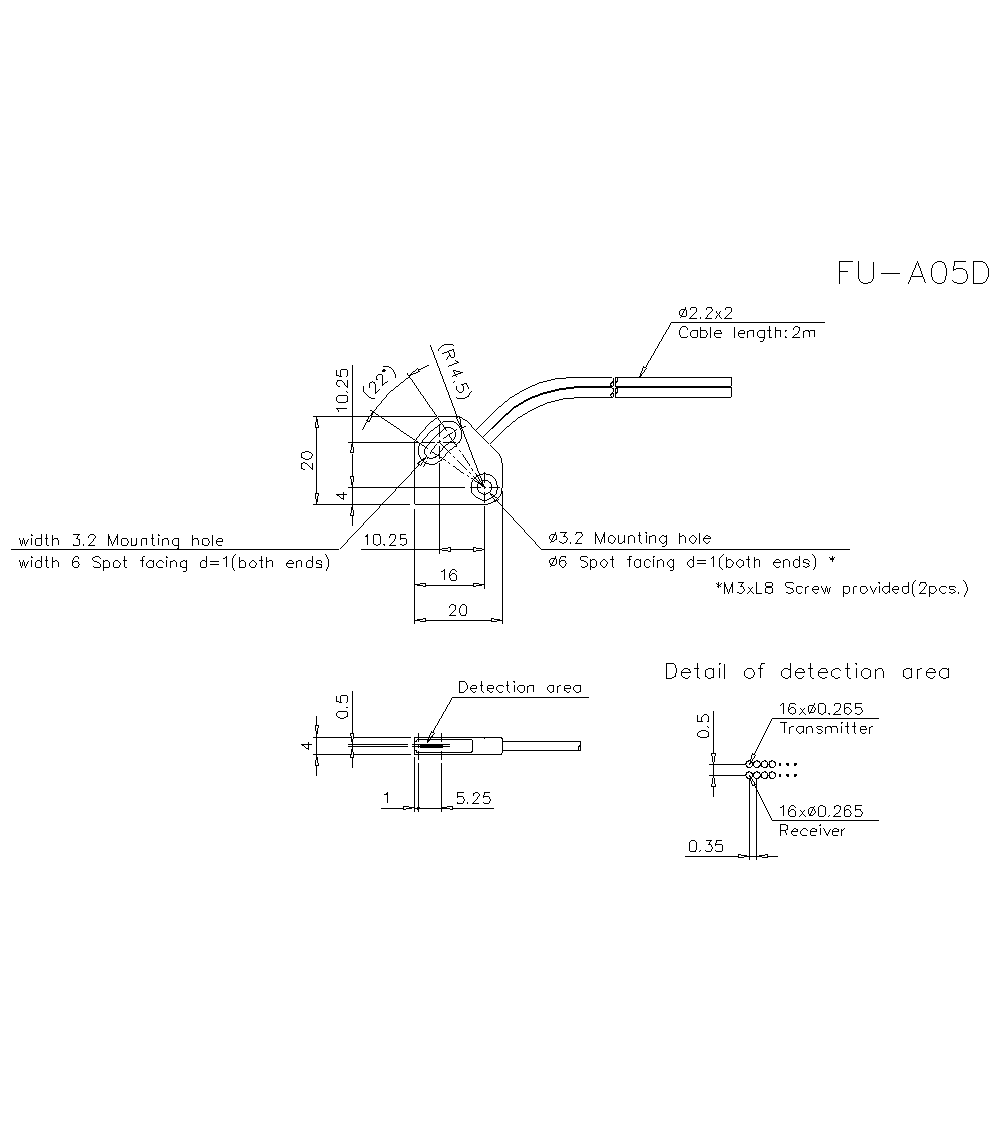
Dimensions

* En cas de difficultés à lire le texte, consultez les données CAO ou le manuel.

FU-A05D Dimension