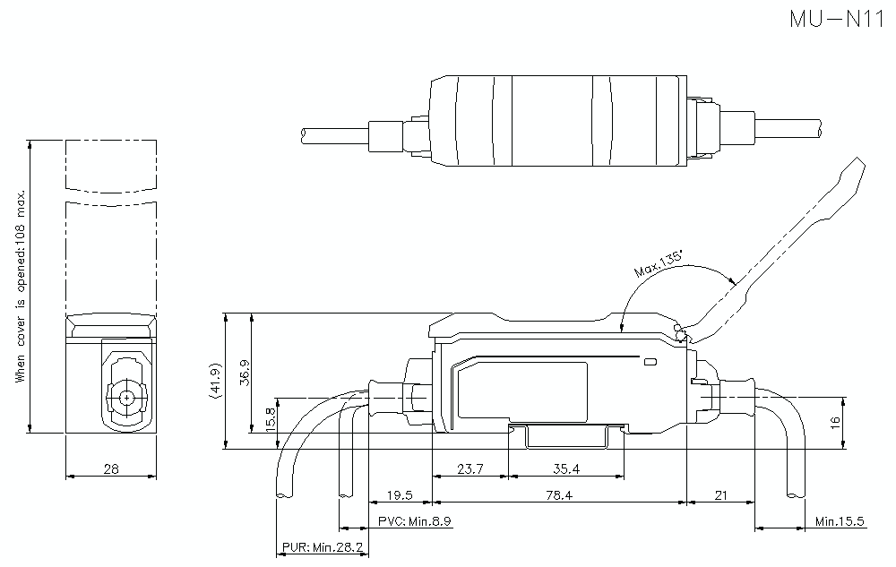
Dimensions

* En cas de difficultés à lire le texte, consultez les données CAO ou le manuel.

mu-n11_dimension_01.gif

MU-N11 Dimension