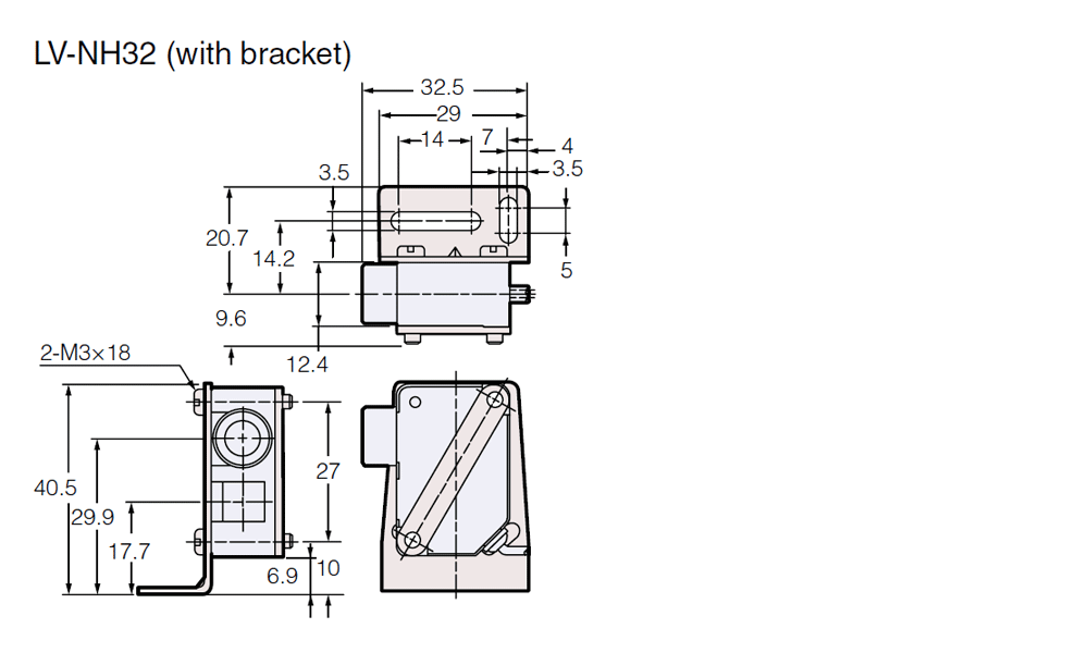
Dimensions

* En cas de difficultés à lire le texte, consultez les données CAO ou le manuel.

LV-NH32_01 Dimension

LV-NH32_02 Dimension