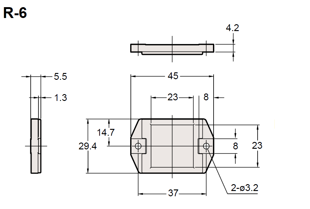
Dimensions

* En cas de difficultés à lire le texte, consultez les données CAO ou le manuel.

r_6_dimension_01.gif

R-6 Dimension