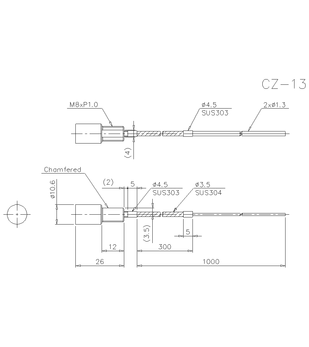
tcm:66-1548835-64
Dimensions
* En cas de difficultés à lire le texte, consultez les données CAO ou le manuel.