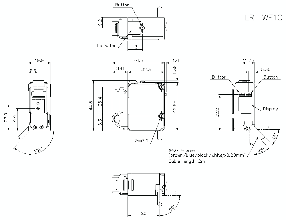
Dimensions

* En cas de difficultés à lire le texte, consultez les données CAO ou le manuel.

lr-wf10_dimension_01.gif

LR-WF10 Dimension