Schéma de circuit des E/S

* En cas de difficultés à lire le texte, consultez les données CAO ou le manuel.

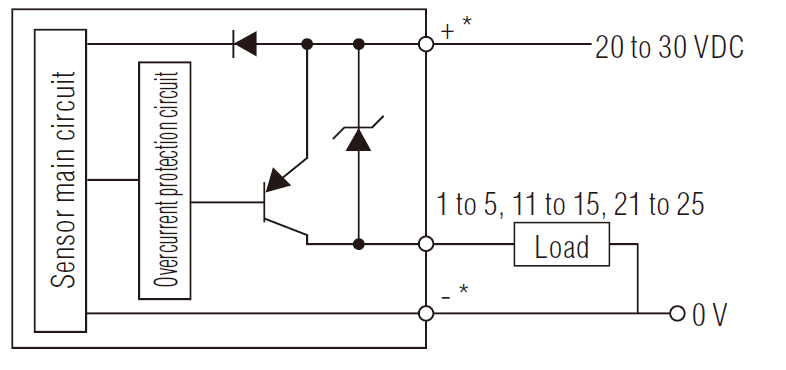
Circuit de sortie de l’amplificateur à afficheur agrandi
GT2-100P/GT2-E3P
(Broches n° 1 à 5, 11 à 15, 21 à 25)

GT2-100P IO circuit

* Les bornes +/- ne se trouvent que sur le GT2-100P.
Le GT2-E3P n’en comporte pas.

Circuit d’entrée de l’amplificateur à afficheur agrandi
GT2-100P/GT2-E3P
(Broches n° 6 à 10, 16 à 20, 26 à 30)

GT2-100P IO circuit

* La borne + ne se trouve que sur le GT2-100P.
Le GT2-E3P n’en comporte pas.