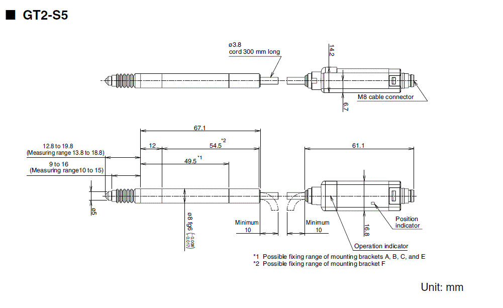
Dimensions

* En cas de difficultés à lire le texte, consultez les données CAO ou le manuel.

gt2-s5_dimension_01.gif

GT2-S5 Dimension