Dimensions

* En cas de difficultés à lire le texte, consultez les données CAO ou le manuel.

ca-dxb3_dxr3_dxw3_02_dimension_01.gif

CA-DXB3 Dimension

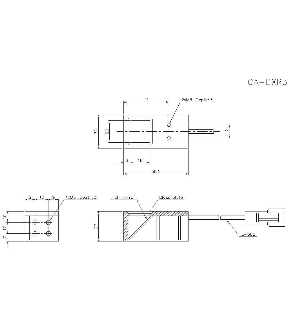
CA-DXR3 Dimension