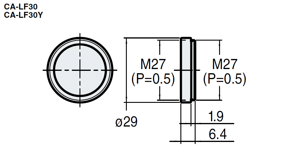
Dimensions

* En cas de difficultés à lire le texte, consultez les données CAO ou le manuel.

CA-LF30_dimension_01.gif

CA-LF30 Dimension