tcm:66-1365593-64
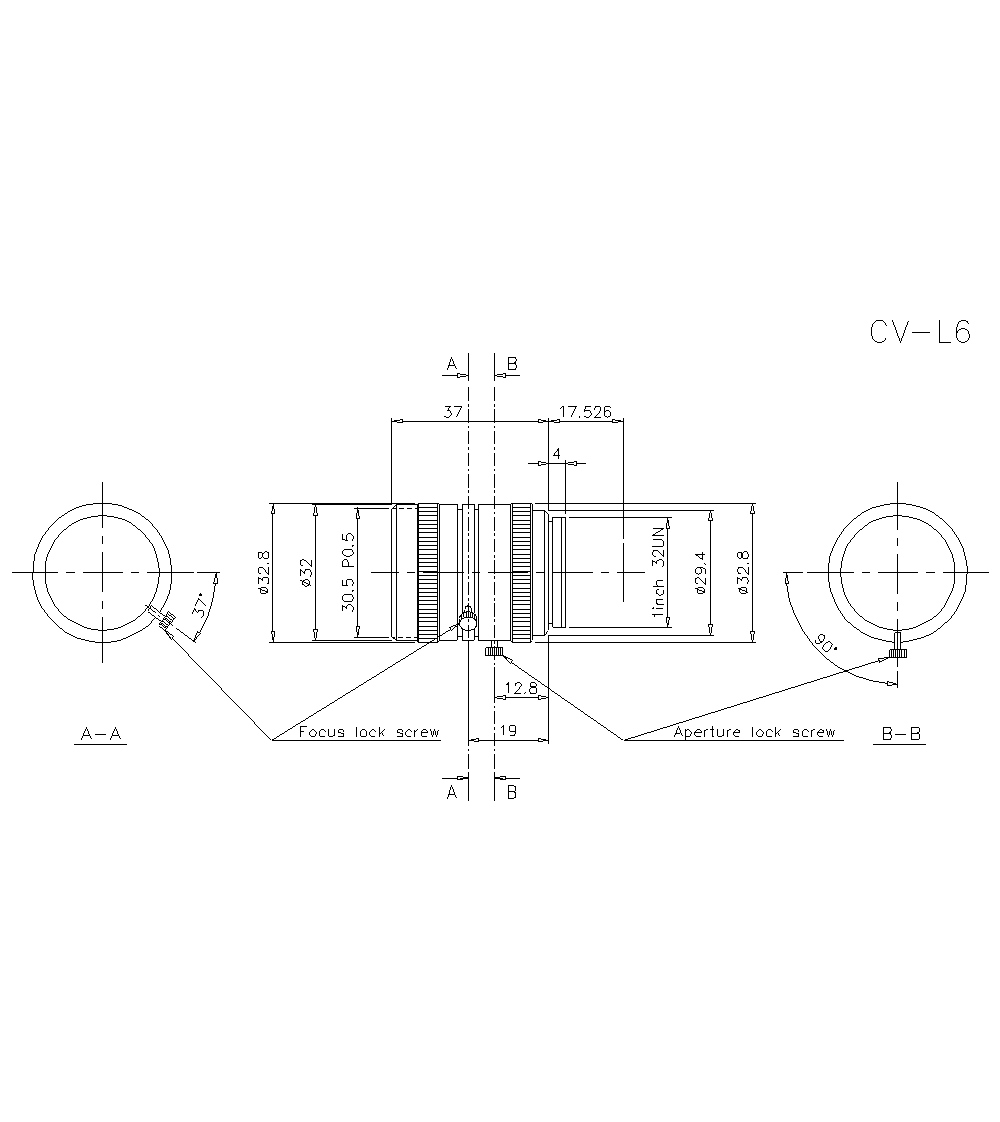
Dimensions
* En cas de difficultés à lire le texte, consultez les données CAO ou le manuel.