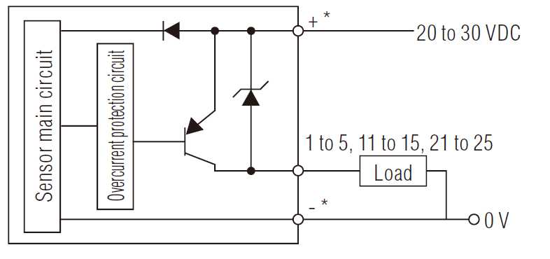
I/O-áramkör kapcsolási rajza

* Töltse le a CAD-fájlt vagy a termék útmutatóját, ha nagyobb képet/szöveget és részletesebb adatokat szeretne.

GT2-100P IO circuit

GT2-100P IO circuit