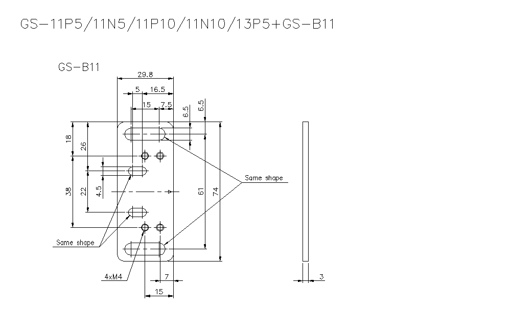
Méretek

* Töltse le a CAD-fájlt vagy a termék útmutatóját, ha nagyobb képet/szöveget és részletesebb adatokat szeretne.

GS-1XPC/GS/B11_01 Dimension

GS-1XPC/GS/B11_02 Dimension

GS-1XPC/GS/B11_03 Dimension

GS-1X/GS/B11_01 Dimension

GS-1X/GS/B11_02 Dimension