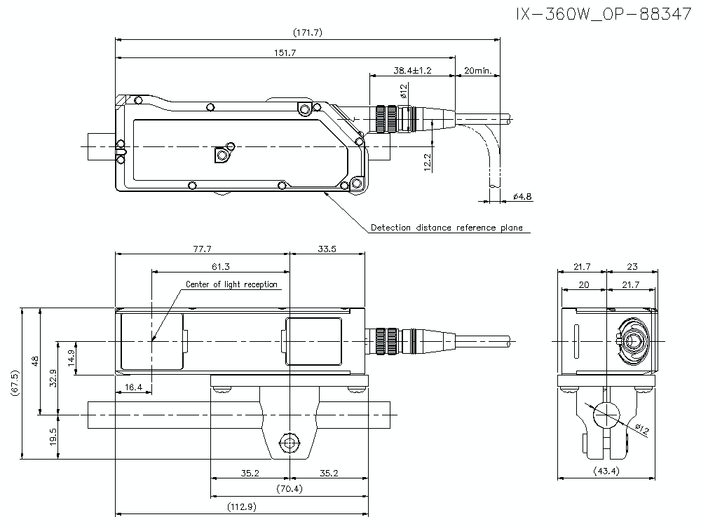
Méretek

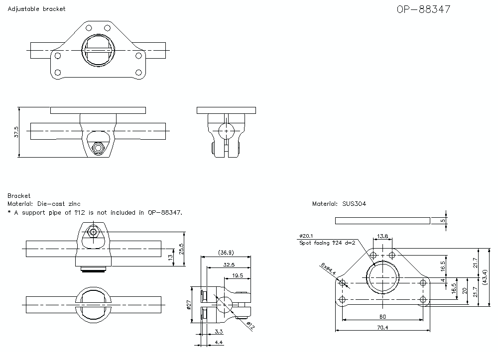
* Töltse le a CAD-fájlt vagy a termék útmutatóját, ha nagyobb képet/szöveget és részletesebb adatokat szeretne.

IX-HEAD/OP/88347 Dimension

OP-88347 Dimension

IX-360W/OP-88347