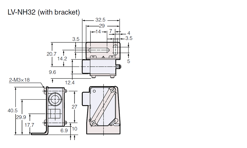
Méretek

* Töltse le a CAD-fájlt vagy a termék útmutatóját, ha nagyobb képet/szöveget és részletesebb adatokat szeretne.

LV-NH32_01 Dimension

LV-NH32_02 Dimension