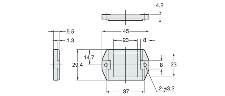
Méretek

* Töltse le a CAD-fájlt vagy a termék útmutatóját, ha nagyobb képet/szöveget és részletesebb adatokat szeretne.

op_51430_dimension_01.gif

OP-51430 Dimension