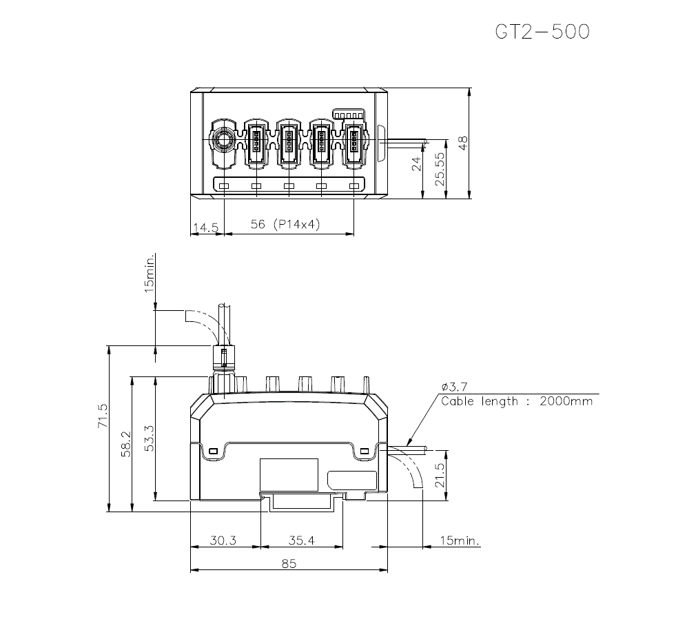
Méretek

* Töltse le a CAD-fájlt vagy a termék útmutatóját, ha nagyobb képet/szöveget és részletesebb adatokat szeretne.

GT2-500 Dimension