Méretek

* Töltse le a CAD-fájlt vagy a termék útmutatóját, ha nagyobb képet/szöveget és részletesebb adatokat szeretne.

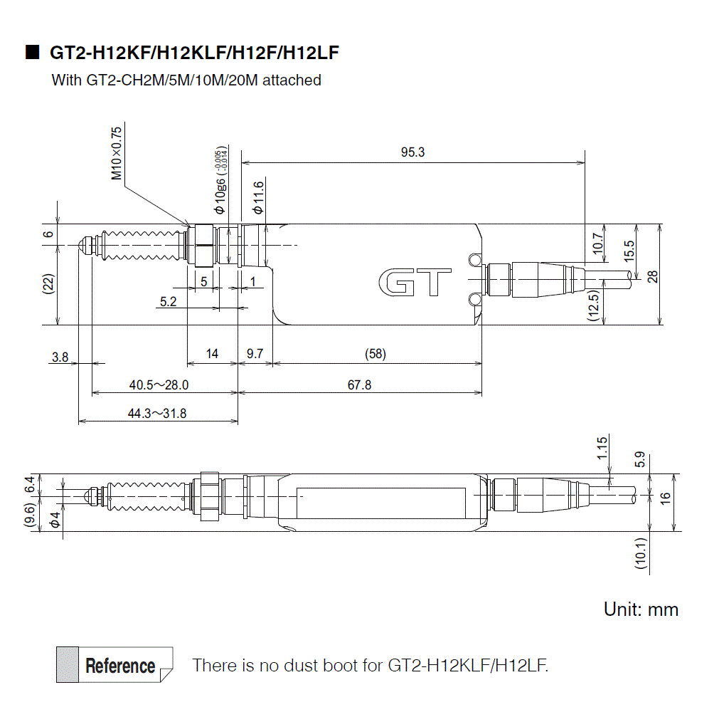
GT2-H12KF/H12KLF/H12F/H12LF Dimension