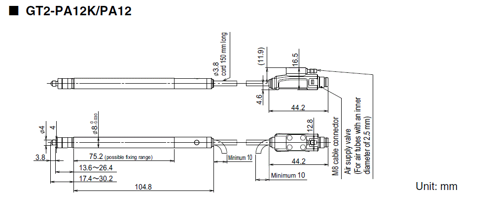
Méretek

* Töltse le a CAD-fájlt vagy a termék útmutatóját, ha nagyobb képet/szöveget és részletesebb adatokat szeretne.

GT2-PA12_PA12K_dimension_01.gif

GT2-PA12/PA12K Dimension