Méretek

* Töltse le a CAD-fájlt vagy a termék útmutatóját, ha nagyobb képet/szöveget és részletesebb adatokat szeretne.

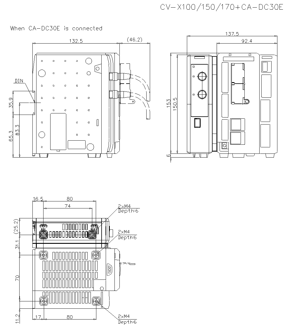
CV-X100/150/170/CA-DC30E Dimension

CV-X100A Dimension