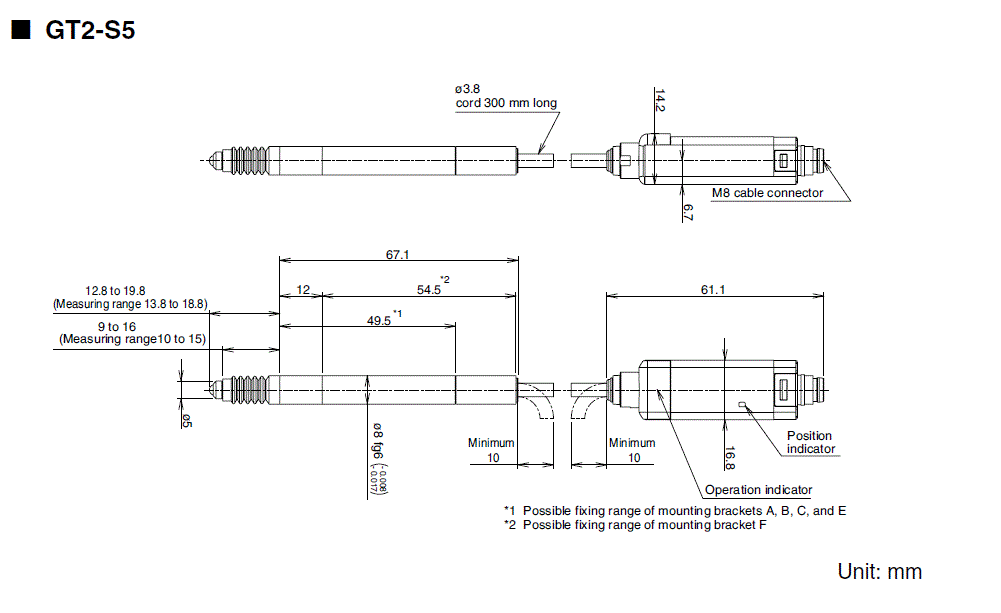
Afmetingen

* Als de tekst moeilijk te lezen is, raadpleeg dan de CAD of de handleiding.

gt2-s5_dimension_01.gif

GT2-S5 Dimension