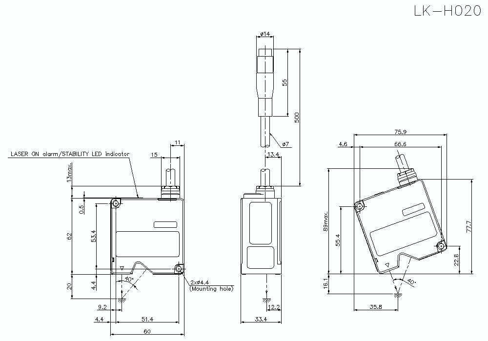
Afmetingen

* Als de tekst moeilijk te lezen is, raadpleeg dan de CAD of de handleiding.

lk-h022k_h027k_2_dimension_01.gif

LK-H022K Dimension