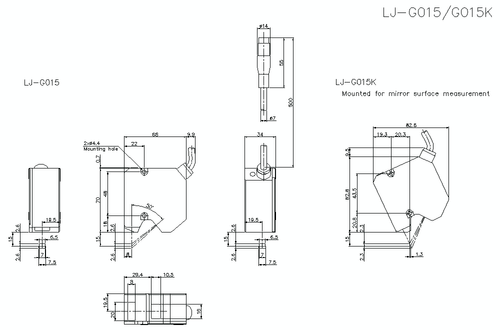
Afmetingen

* Als de tekst moeilijk te lezen is, raadpleeg dan de CAD of de handleiding.

lj-g015_g015k_2_dimension_01.gif

LJ-G015 Dimension