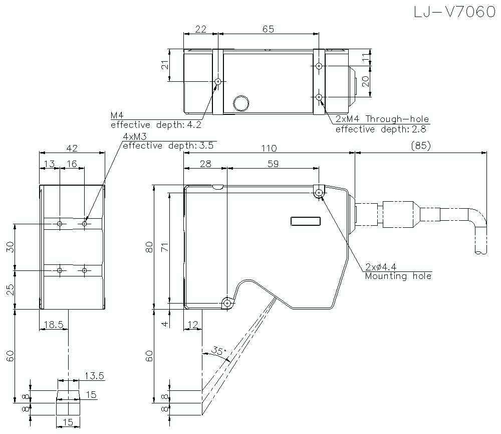
Afmetingen

* Als de tekst moeilijk te lezen is, raadpleeg dan de CAD of de handleiding.

lj-v7060_dimension_01.gif

LJ-V7060 Dimension