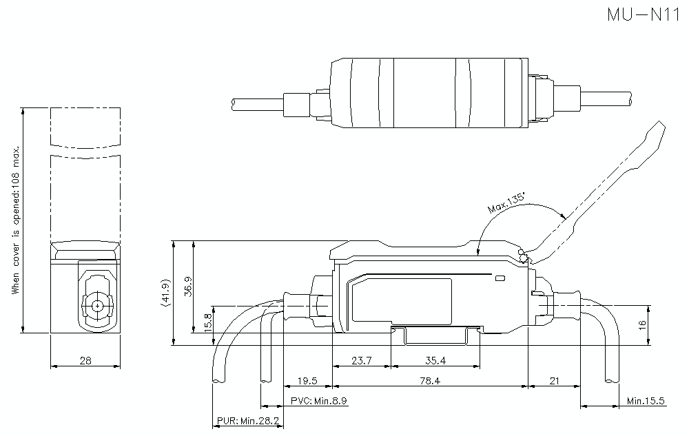
Afmetingen

* Als de tekst moeilijk te lezen is, raadpleeg dan de CAD of de handleiding.

mu-n11_dimension_01.gif

MU-N11 Dimension