Afmetingen

* Als de tekst moeilijk te lezen is, raadpleeg dan de CAD of de handleiding.

mu-n12_nu_dimension_01.gif

MU-N12/NU Dimension

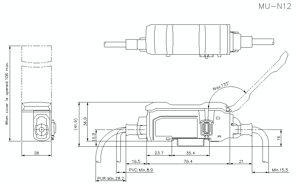
mu-n12_dimension_01.gif

MU-N12 Dimension