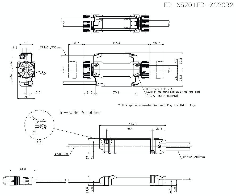
Afmetingen

* Als de tekst moeilijk te lezen is, raadpleeg dan de CAD of de handleiding.

FD-XS20/FD-XC20R2/OP-88294 Dimension

FD-XS20/FD-XC20R2 Dimension