Afmetingen

* Als de tekst moeilijk te lezen is, raadpleeg dan de CAD of de handleiding.

FD-XS8/FD-XC8R2 Dimension

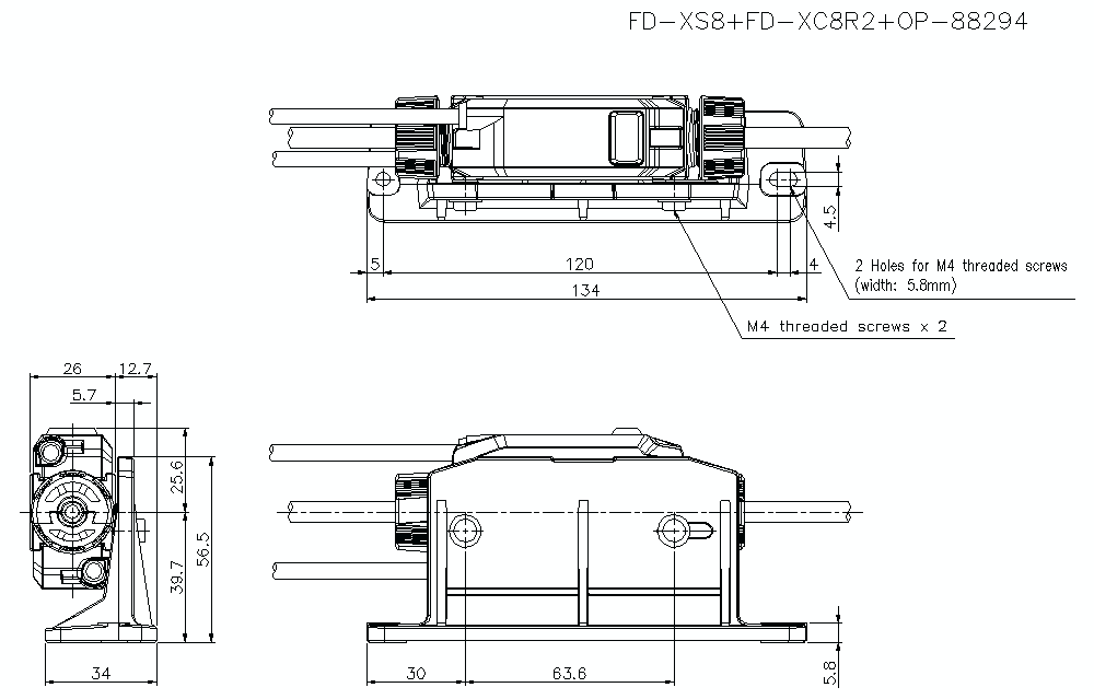
FD-XS8/FD-XC8R2/OP-88294 Dimension