Afmetingen

* Als de tekst moeilijk te lezen is, raadpleeg dan de CAD of de handleiding.

FD-XS1/FD-XC1M Dimension

FD-XS1/FD-XC1R1 Dimension

FD-XS1/FD-XC1R2 Dimension

FD-XS1/FD-XC1M/OP-88297 Dimension

FD-XS1/FD-XC1R1/OP-88294 Dimension

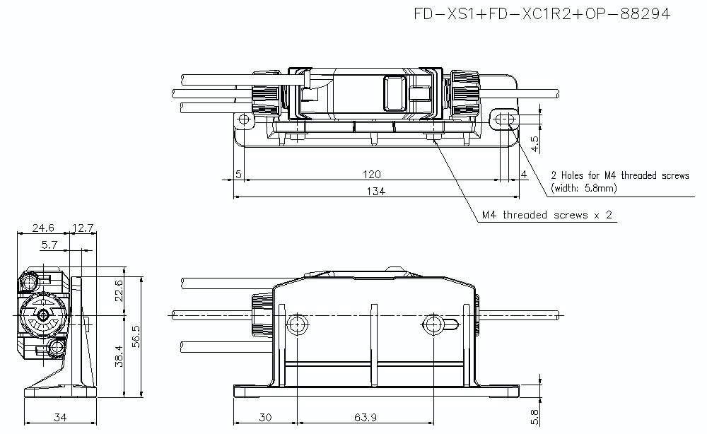
FD-XS1/FD-XC1R2/OP-88294 Dimension