Afmetingen

* Als de tekst moeilijk te lezen is, raadpleeg dan de CAD of de handleiding.

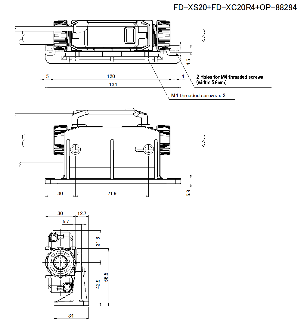
FD-XS20/FD-XC20R4/OP-88294 Dimension

FD-XS20/FD-XC20M1 Dimension

FD-XS20/FD-XC20M2 Dimension

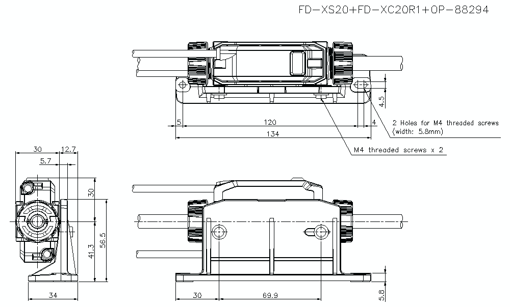
FD-XS20/FD-XC20R1/OP-88294 Dimension

FD-XS20/FD-XC20R1 Dimension

FD-XS20/FD-XC20R2/OP-88294 Dimension

FD-XS20/FD-XC20R2 Dimension

FD-XS20/FD-XC20R3/OP-88294 Dimension

FD-XS20/FD-XC20R3 Dimension

FD-XS20/FD-XC20R4 Dimension