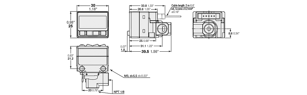
Afmetingen

* Als de tekst moeilijk te lezen is, raadpleeg dan de CAD of de handleiding.

AP-C30_C31_C33_dimension_01.gif

AP-C30/C31/C33 Dimension