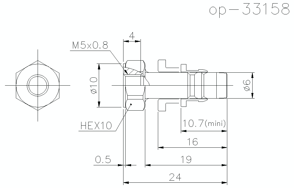
Afmetingen

* Als de tekst moeilijk te lezen is, raadpleeg dan de CAD of de handleiding.

op-33158_dimension_01.gif

OP-33158 Dimension