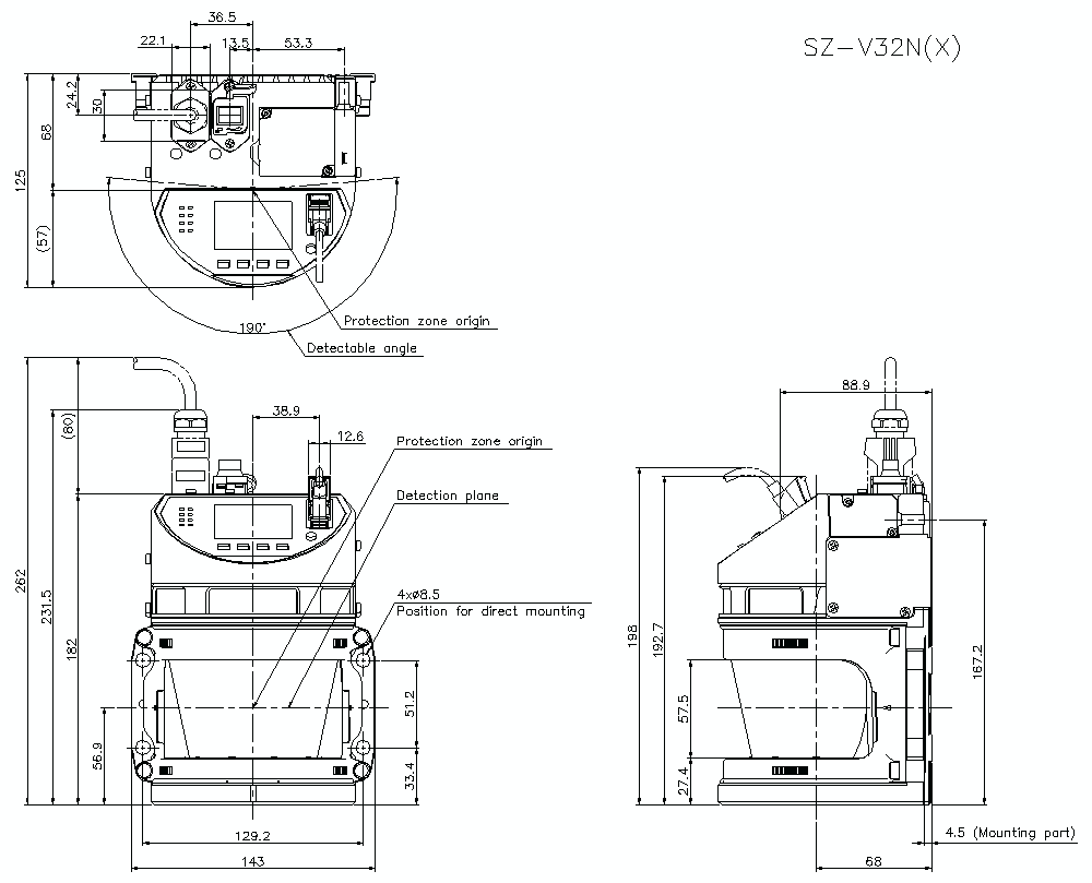
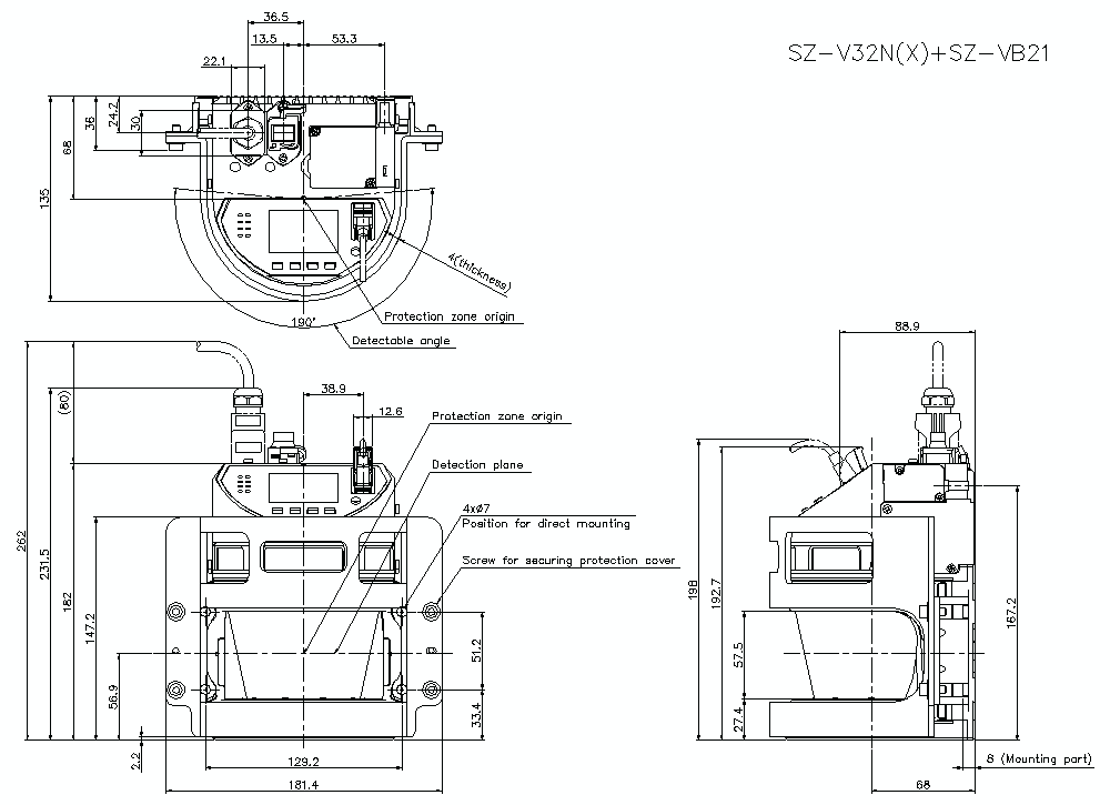
Afmetingen

* Als de tekst moeilijk te lezen is, raadpleeg dan de CAD of de handleiding.

sz-v32n_x_v32n_dimension_01.gif

SZ-V32N/X/V32N Dimension

sz-v32n_x_vb21_dimension_01.gif

SZ-V32N/X/VB21 Dimension

SZ-V32N(X)/VB22 Dimension