Afmetingen

* Als de tekst moeilijk te lezen is, raadpleeg dan de CAD of de handleiding.

sz-vh1_vh1x_dimension_01.gif

SZ-VH1/VH1X Dimension

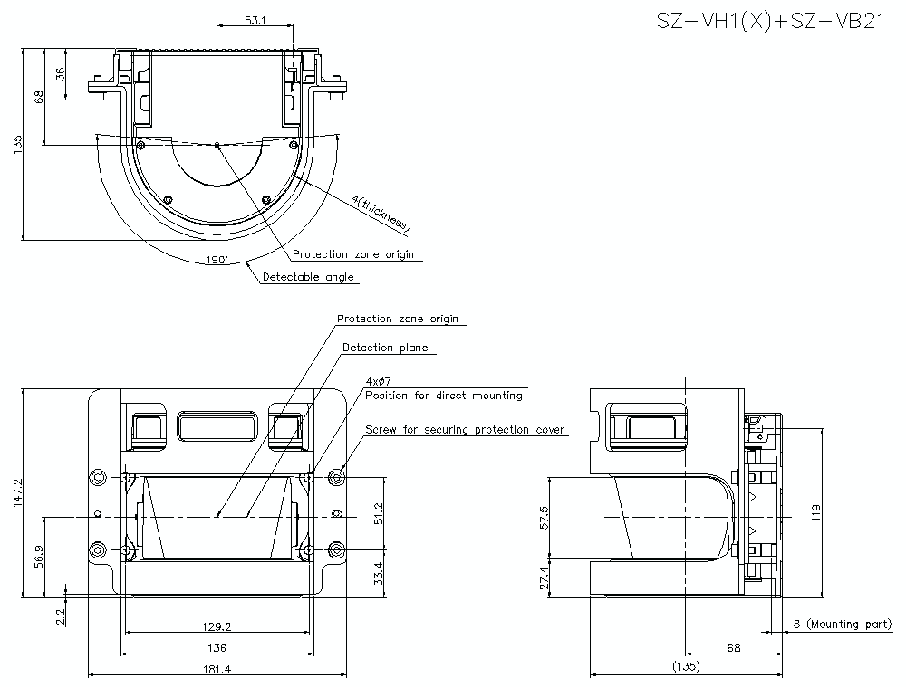
szvh1_x_vb21_dimension_01.gif

SZVH1-X/VB21 Dimension