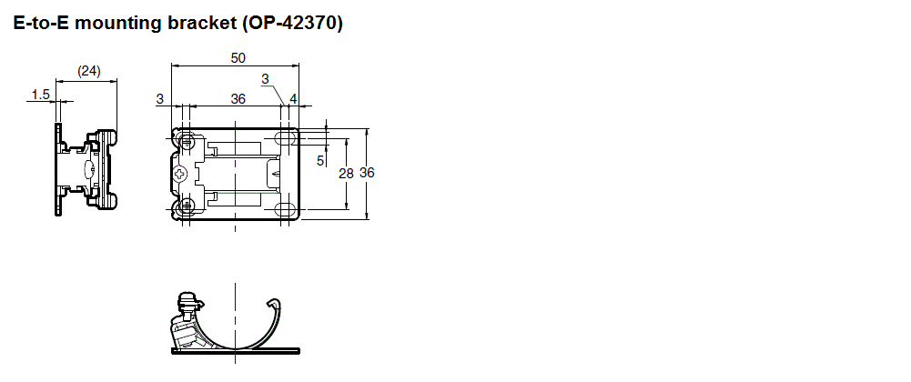
Afmetingen

* Als de tekst moeilijk te lezen is, raadpleeg dan de CAD of de handleiding.

OP-42370_01 Dimension

OP-42370_02 Dimension