Afmetingen

* Als de tekst moeilijk te lezen is, raadpleeg dan de CAD of de handleiding.

GS-1X Dimension

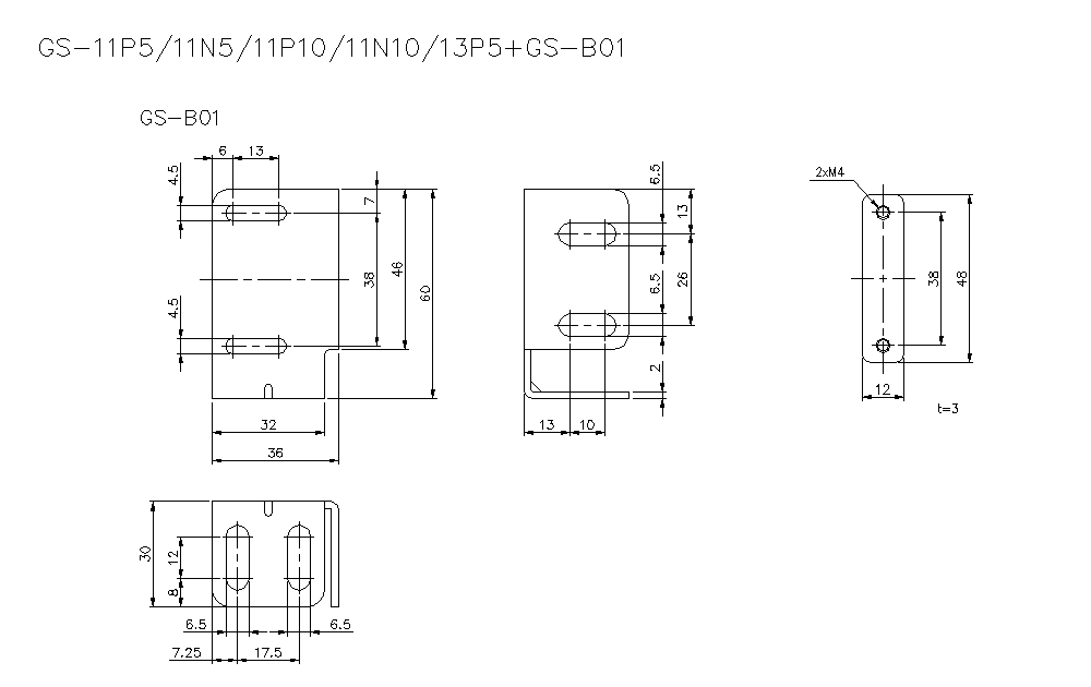
GS-1X/GS/B01_01 Dimension

GS-1X/GS/B01_02 Dimension

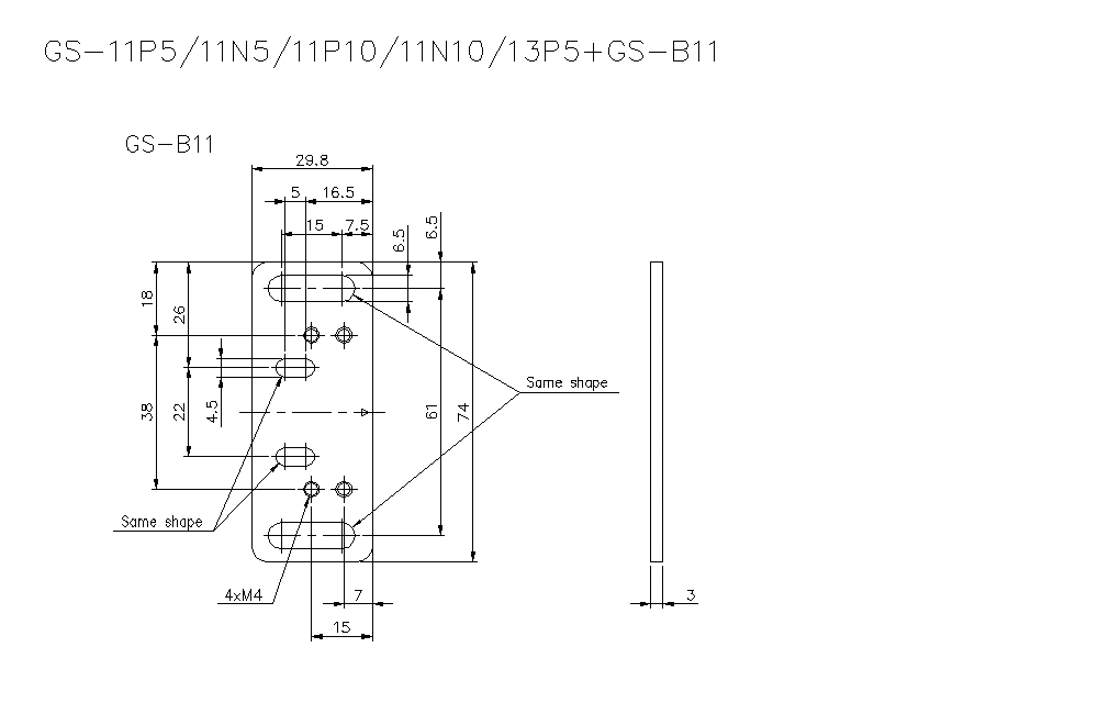
GS-1X/GS/B11_01 Dimension

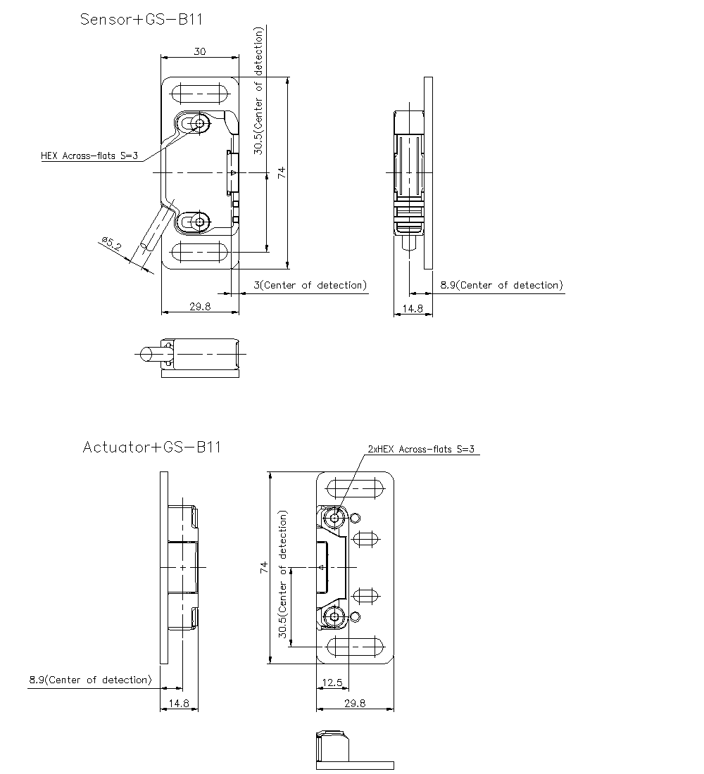
GS-1X/GS/B11_02 Dimension