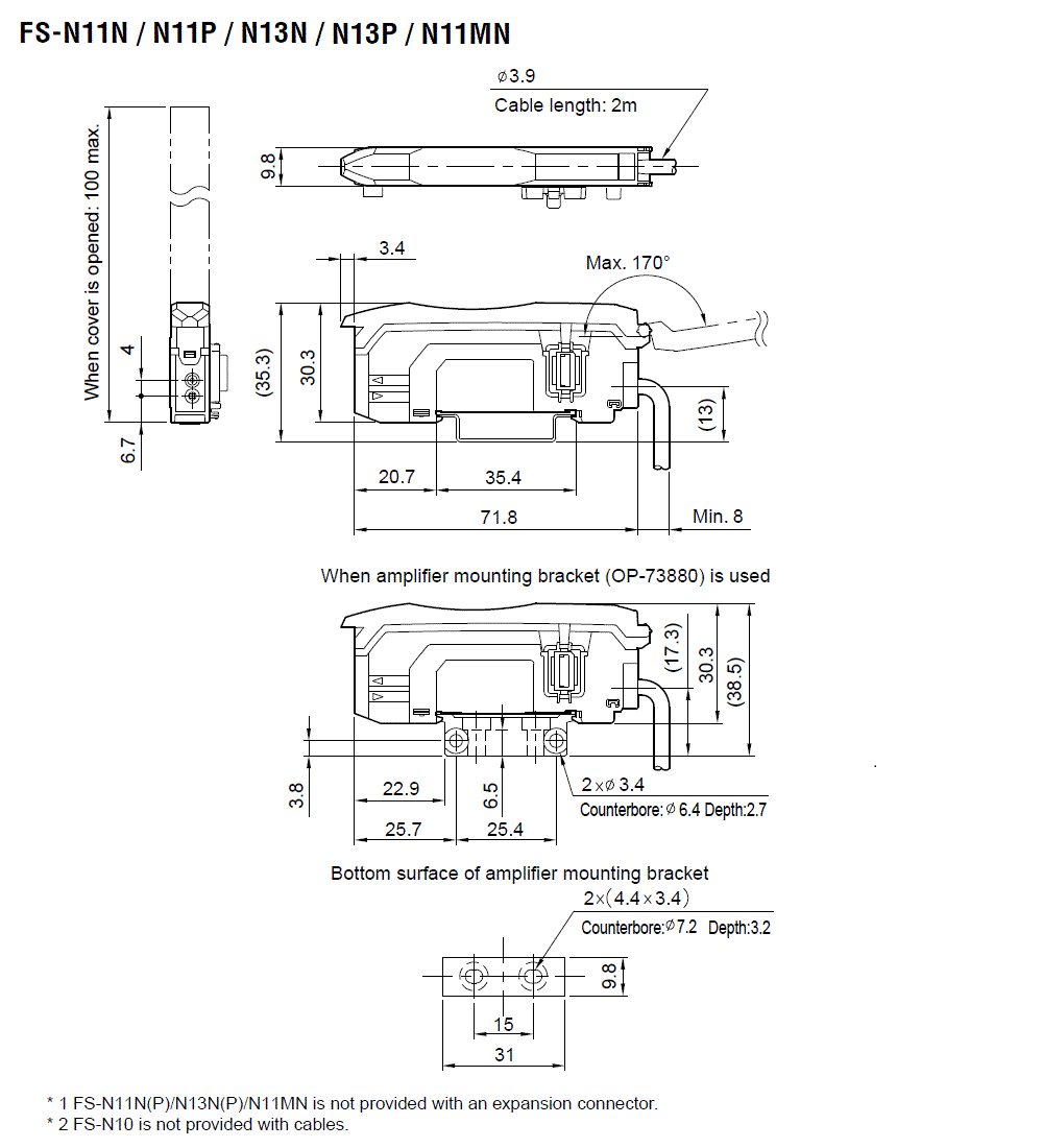
Afmetingen

* Als de tekst moeilijk te lezen is, raadpleeg dan de CAD of de handleiding.

FS-N11N_11P_13N_13P_11MN Dimension