tcm:65-933128-64
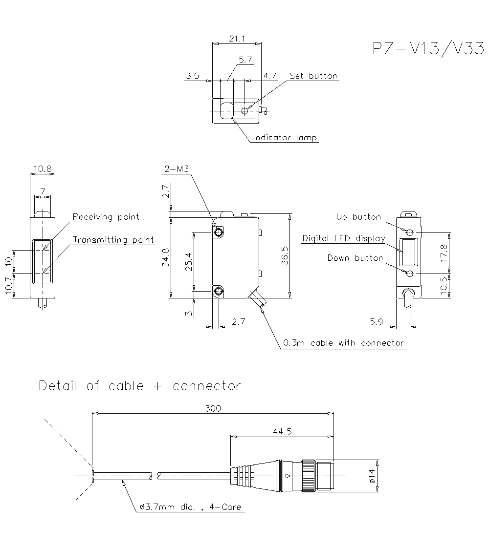
Afmetingen
* Als de tekst moeilijk te lezen is, raadpleeg dan de CAD of de handleiding.