Afmetingen

* Als de tekst moeilijk te lezen is, raadpleeg dan de CAD of de handleiding.

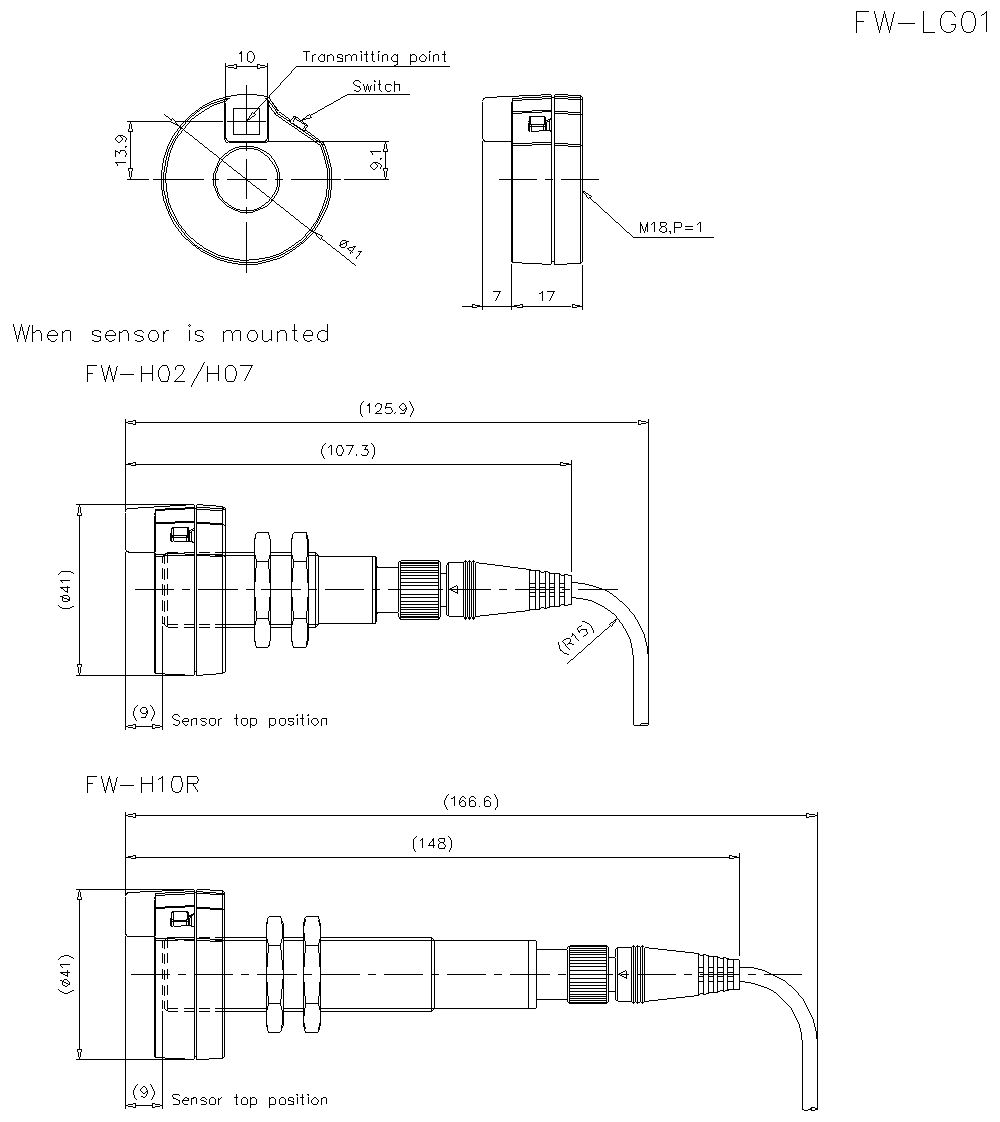
FW-LG01 Dimension