Aansluitschema I/O-circuit

* Als de tekst moeilijk te lezen is, raadpleeg dan de CAD of de handleiding.

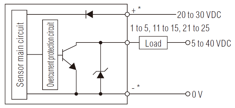
Uitgangscircuit van de grote display versterkereenheid
GT2-100N/GT2-E3N
(pen nrs. 1 tot 5, 11 tot 15, 21 tot 25)

GT2-100N IO circuit

* De +/- aansluitingen zijn alleen in de GT2-100N voorzien.
Ze zijn niet niet voorzien in de GT2-E3N.

Ingangscircuit van de grote display versterkereenheid
GT2-100N/GT2-E3N
(pen nrs. 6 tot 10, 16 tot 20, 26 tot 30)

GT2-100N IO circuit

* De - aansluiting is alleen voorzien bij de GT2-100N.
Ze is niet voorzien bij de GT2-E3N.
(Kortsluitstroom: 1 mA max.)