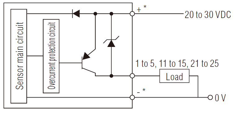
Aansluitschema I/O-circuit

* Als de tekst moeilijk te lezen is, raadpleeg dan de CAD of de handleiding.

Uitgangscircuit van de grote display versterkereenheid
GT2-100P/GT2-E3P
(pen nrs. 1 tot 5, 11 tot 15, 21 tot 25)

GT2-100P IO circuit

* De +/- aansluitingen zijn alleen in de GT2-100P voorzien.
Ze zijn niet niet voorzien in de GT2-E3P.

Ingangscircuit van de grote display versterkereenheid
GT2-100P/GT2-E3P
(pen nrs. 6 tot 10, 16 tot 20, 26 tot 30)

GT2-100P IO circuit

* De + aansluiting is alleen voorzien in de GT2-100P.
Ze is niet voorzien bij de GT2-E3P.