Afmetingen

* Als de tekst moeilijk te lezen is, raadpleeg dan de CAD of de handleiding.

IV2-G150/G300/G500/G600 Dimension

IV2-G150/G300/G500/G600/GD05 Dimension

IV2-G150/G300/G500/G600/GD05/OP-87908 Dimension

IV2-G150/G300/G500/G600/GD05/OP-87909 Dimension

IV2-G150/G300/G500/G600/GD05/OP-87910 Dimension

IV2-G150/G300/G500/G600/GD10 Dimension

IV2-G150/G300/G500/G600/GD10/OP-87908 Dimension

IV2-G150/G300/G500/G600/GD10/OP-87908_02 Dimension

IV2-G150/G300/G500/G600/GD10/OP-87909 Dimension

IV2-G150/G300/G500/G600/GD10/OP-87909_02 Dimension

IV2-G150/G300/G500/G600/GD10/OP-87910 Dimension

IV2-G150/G300/G500/G600/GD10/OP-87910_02 Dimension

IV2-G150/G300/G500/G600/OP-87899/87900/87901 Dimension

IV2-G150/G300/G500/G600/OP-87908 Dimension

IV2-G150/G300/G500/G600/OP-87909 Dimension

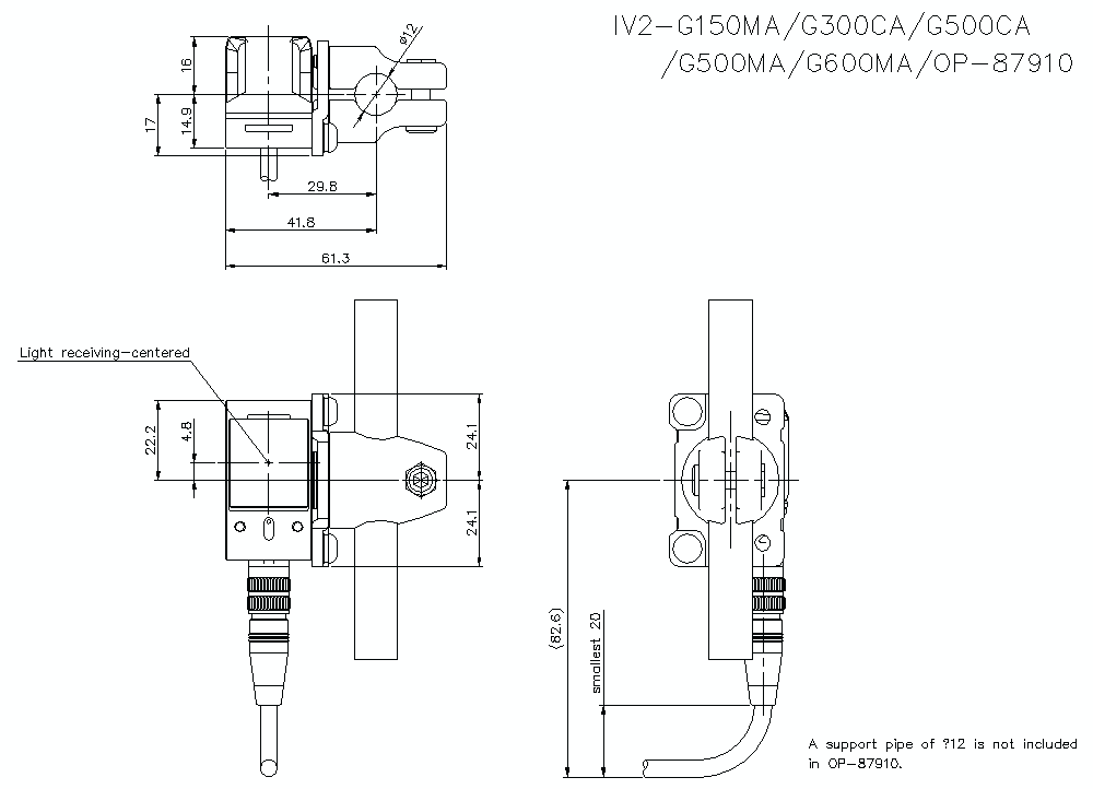
IV2-G150/G300/G500/G600/OP-87910 Dimension