Afmetingen

* Als de tekst moeilijk te lezen is, raadpleeg dan de CAD of de handleiding.

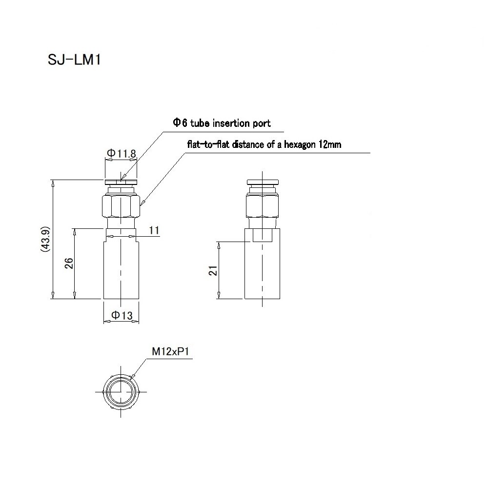
SJ-L005MT/SJ-LM1 Dimension

SJ-LM1 Dimension