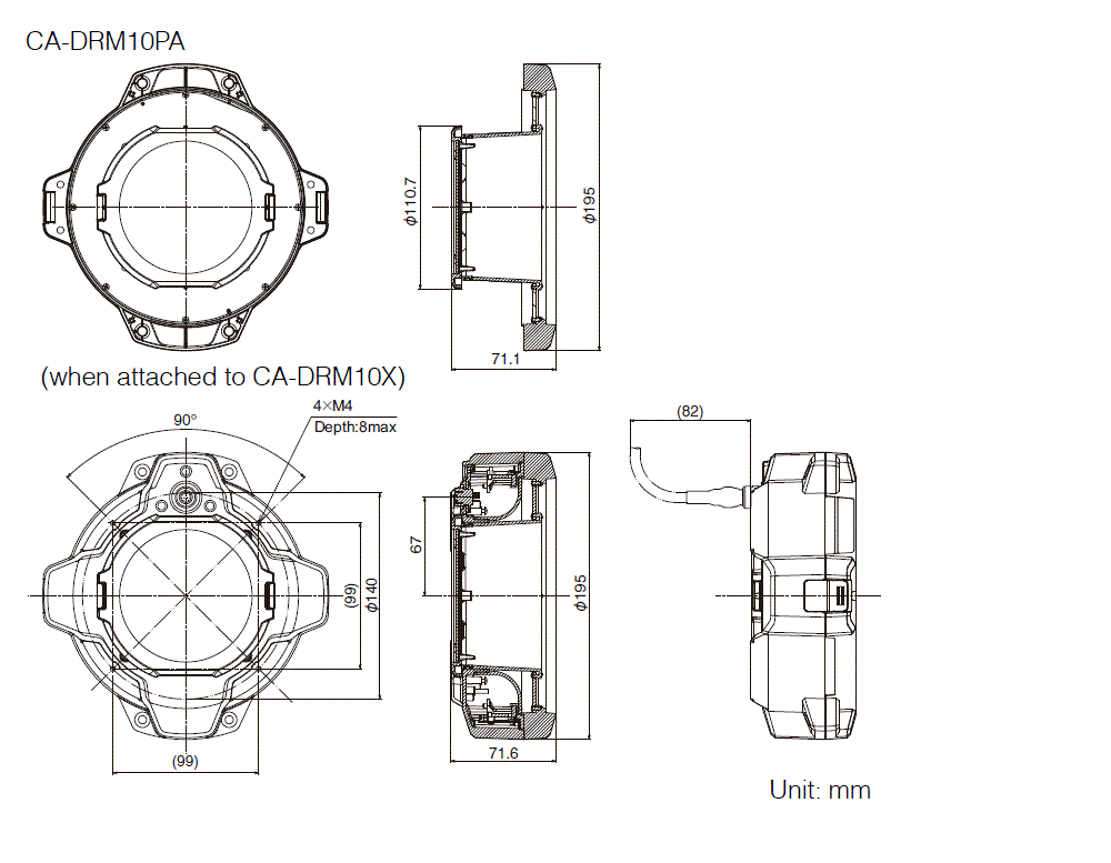
Afmetingen

* Als de tekst moeilijk te lezen is, raadpleeg dan de CAD of de handleiding.

ca-drm10pa_dimension_01.gif

CA-DRM10PA Dimension