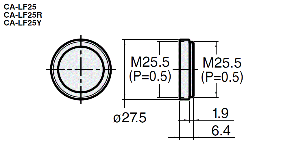
Afmetingen

* Als de tekst moeilijk te lezen is, raadpleeg dan de CAD of de handleiding.

CA-LF25_dimension_01.gif

CA-LF25 Dimension